• New
TM 9-9068-2
search
  • TM 9-9068-2
  • TM 9-9068-2
  • TM 9-9068-2
  • TM 9-9068-2
  • TM 9-9068-2
  • TM 9-9068-2
  • TM 9-9068-2
  • TM 9-9068-2

TM 9-9068-2

€6.00

Cincinnati Lathe and Tool Co model Cintilathe "Tray top" 12-1/2x36 40-L-26

Type : Maintenance Manual
192 Pages, Edition 1952

 

Download only

 

PDF file only

Language: Scan quality:
Edition: 1952 Pages: 192

Type of documentation: Maintenance Manual


Title:
Cincinnati Lathe and Tool Co model Cintilathe "Tray top" 12-1/2x36 40-L-26

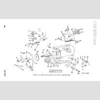
Repair manual for this lathe, 1-HP, 110 volt, 60 cycle, single phase, 6 foot-bed, 12-1/2 inch-swing, motor driven engine lathe

Comments (0)
No customer reviews for the moment.